首頁 > 企業黃頁 > 浙江省企業名錄 > 寧波市企業名錄 > 鎮海區企業名錄 > 寧波市鎮海英格爾軸承有限公司

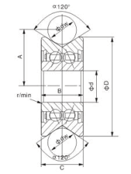
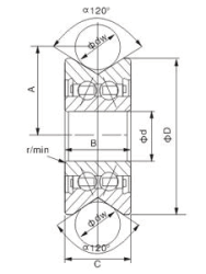
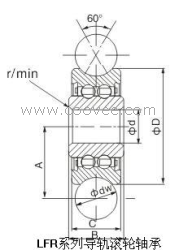
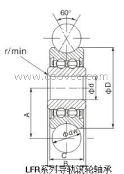
產品分類

銷量排行

寧波市鎮海英格爾軸承有限公司一共:53 條信息

其他公司相關產品一共:5 條信息